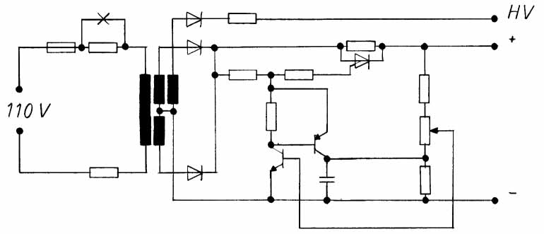
Reparatur des Ladegerätes 363

Ich habe eine komplette Automatic 360 bei eBay ergattert. Das ist die Kamera 360, der Elektronrnblitz 365 und das Ladegerät 363. Das Ladegerät ist nur für 110V geeigent. Der Vorbesitzer hat es auf ein Gehäuse mit integriertem Spartransformator für 220V montiert, so daß es bei uns ans 230V Netz angeschlossen werden kann. Ich habe es wieder in den Originalzustand versetzt und kann es mit Hilfe eines 230V/110V-Adapters benutzten. Leider funktioniert das Ladegerät nicht mehr richtig. Es wird lediglich die Erhaltungsladung durchgeführt; das Schnelladen von einer Stunde funktioniert nicht mehr. Dies wird durch eine Lampe angezeigt. Meine erste Vermutung, daß nur die Lampe defket sei, bestätigte sich leider nicht.
Das Problem bei der Reparatur war, dass fast die Hälfte der Schaltung vergossen war. Und so musste ich, um mir einen Schaltplan zu zeichen, die Platiene von den vergossenen Teilen ablöten und vorsichtig ausbauen. Mit hilfe eines Messgerätes konnte ich die Teile dann ausmessen und einen Schaltplan zeichen. Leider konnte ich die Halbleiter nicht richtig feststellen und so brauchte es einiges an Zeit und Tests bis ich die Schaltung erforscht hatte.

Bei meinem Ladegerät war der Tyristor defekt. Dieser befindet sich dummerweise im vergossenen Teil der Schaltung, und so mußte ich meinen herausgesuchten Ersatztyp (BR 303) auf die Platine löten.

Damit der alte Tyristor nicht stört, habe ich seine Anschlußbeine frei gelötet.
Nun funktioniert die Schnelladung wieder.
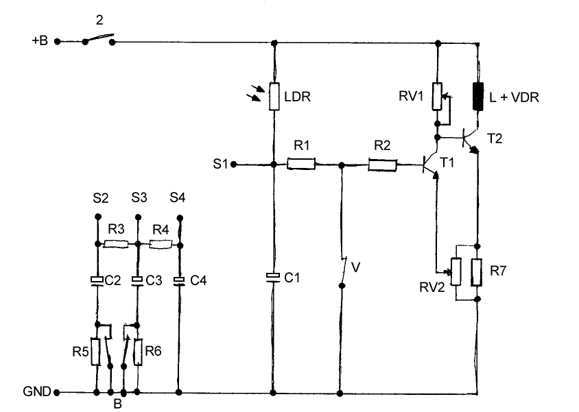
Schaltplan Automatic Kamera mit 4 ASA Stufen
Bauteile
| Automatic | 100 | 340 | 350 I |
| +B | 4,5V | 4,5V | 3V |
| R1 | 82 | 82 | 100 |
| R2 | 10K | 10K | 10K |
| R3 | 47K | 47K | 56K |
| R4 | 82K | 82K | 120K |
| R5 | 2,2K | 2,2K | 3,3K |
| R6 | 1,2K | 1,2K | 1,5K |
| R7 | - | - | 38 |
| RV1* | 4,7K | 26K | 12K |
| RV2* | 71 | 80 | 70 |
| C1 | GE SW | 0,29µF | SW SW |
| C2 | GE RT | 3,07µF | SW RT |
| C3 | GE RT | 3,07µF | SW RT |
| C4 | GE GN | 21,2µF | SW GN |
| VDR? | * | - | * |
SW=schwarz RT=rot GE=gelb GN=grün
2 = Auslöser: wird beim Drücken auf Knopf "2" betätigt und schaltet die Belichtungsautomatik ein.
V = Verschlußkontakt: öffnet zeitgleich mit dem Verschluß und ermöglicht damit das Aufladen des bzw. der Kondensatoren. Die Ladezeit ist abhänig vom Licht, das auf den LDR fällt.
S1-S4 = Filmwahlschalter: je nach eingestellter Empfindlichkeit und Szene wird somit ebenfals die Belichtungszeit beinflußt.
B = Blitzbetriebschalter: beim Einstecken des Originalblitzlichtes werden die Kontakte geöffnet. Bei Automatic Kameras der 400er Serie ist die Funktion anders.
L + VDR = Verschlußhaltemagnet: beim Auslösen mit Knopf "2" wird der Verschluß ausgelöst. Dieser besteht aus zwei Teilen. Der erste öffnet den Lichtweg, der zweite Teil wird von einem kleinen Elektromagneten festgehalten. Hat die Spannung an C1 einen bestimmten Punkt ereicht, wird T1 leitend und dadurch T2 gesperrt. Die Spule ist stromlos und läßt das zweite Verschlußteil los; der Lichtweg ist wieder verschlossen. Bei manchen Versionen ist zum Schutz von T2 parallel zu Spule ein VDR (bin mir nicht ganz sicher, ob es ein VDR ist) geschaltet. Dieser unterdrückt die Impulse, die beim Abschalten der Spule entstehen.
Filmwahlschalter S1 - 24
| Bright Sun Only |
| 75 ASA | S1 + S2 + S4 |
| 150 ASA | S1 + S2 + S4 |
| 300 ASA | S1 + S2 + S4 |
| Bright Sun or Dull Day also Flash |
| 75 ASA | S1 + S2 + S3 |
| 150 ASA | S1 + S2 |
| 300 ASA | S1 + S2 |
| Outdoor or Flash |
| 3000 ASA | S1 + S2 |
| Indoor without Flash |
| 3000 ASA | - |
In der angegebenen Position sind die aufgeführten Kontakte miteinander verbunden.
Copyright © 2001-2007 Stephan Wagner.
Die Markennamen gehören ihren jeweiligen Eigentümern. Ich übernehme keine Haftung für den Inhalt verlinkter externer Internetseiten.
Ich übernehme keine Haftung für irgendwelche Schäden, die durch das Nachbauen der hier stehenden Artikel entstehen oder entstanden sind.
Stand 28.05.2007