Modellbahn zeugs.
Deltabooster für Mobile Station
mfx Rückmeldung für Deltabooster
Weichensteuerung mit Mobile Station
Displaybeleuchtung für Mobile Station
Verlängerungskabel für Mobile Station
CS1 gebastel
Schiebebühne 7294 für Teppichbahn digitalisieren
Drehscheibe 7186 Teppichgerecht umgebaut
Kran 7051 lässt sich auch umbauen
Digitale Weiche mit Gleis-Strom-Abschaltung
Entkuppler mit Weichei
Kühle Weichenlaternen
IC-Blechwagen beleuchten
Tachowagen
Deltadecoder-Umbau mit SMD-Widerstand
Wagenachsen

Delta Booster für Mobile Station
Die neue Mobile Station gefällt mir ja sehr. Gut, ich hab noch keine. Ich habe mich schon ein bißchen eingelesen und werde es mal aus probieren, zumal man die Dinger bei eBay recht günstig bekommen kann. Was mich nur etwas bremmst, ist die Anschlußmöglichkeit, da man ja hier die Transformatormasse (O) und Gleismasse (O) nicht verbinden darf.
Aus Interesse hab ich das technisch mal durchleuchtet und die Ursache dafür in der geänderten Gleis-Signalerzeugung gefunden. Die Infos fand ich bei bogobit.
Bei der Delta- und der digitalen Technik ist die Trafomasse (O) auch die Gleismasse (O). Diese ca. +/- 22 Volt werden je mit einer Diode und Siebelko aus der Wechselsapnnung (L) gewonnen. Die untere Halbwelle lädt einen Kondensator auf ca. -22V (-B) auf, die obere Halbwelle den anderen Kondensator auf ca. 22V (+B). An diesen Spannungen sitzen nun zwei Endtransistoren. Durch die digitale Information schaltet nun der eine oder der andere durch. So entsteht am (B) die Spannung mit dem Digitalsignal für das Gleis.
Wenn ich mal Lust habe, mache ich mal eine Zeichnung.
Bei der Mobile Station ist das nun anders. Hier wird mit einem Brückengleichrichter eine Spannung von ca. 22V erzeugt. Um nun das digitale Siganl (B) am Gleis zu erzeugen, benötigt man eine Endstufe mit 4 Transistoren, die nun paarweise abwechselnd angesteuert werden. Das nennt sich Brückenendstufe.
Im einen Fall wird + an B und - an O gelegt und im anderen Fall - an B und + an O.
Verbindet man die Gleismasse (O) mit der Tarfomasse (O), so entsteht ein Kurzschluß. Der komplette Strom, den der Trafo liefert, fließt über die Endstufe und den Gleichrichter und zerstört zumindest die Endstufe und eventuell auch diesen Gleichrichter.
Auch soll an das Gleis keine Fremdspannung angelegt werden, sodaß wohl auch der Betrieb der elektrischen Bahnübergänge 7192 und ähnliches nicht mehr möglich ist. (Anscheinend habe ich hier die Anleitung falsch verstanden.) Man kann mit einem extra Trafo den Bahnübergang wie gewohnt speisen. Der separate Trafo kommt mit dem braunen Anschluß an die Gleismasse und mit dem gelben an den Bahnübergang.)
Vielleicht kommt auch hier ein Bild.
Die Endstufe der Mobile Station ist recht schwach und bringt je nach Version 1,2A oder 1,9A. Dies läßt sich im Info-Menue abfragen und wird anscheinend nur durch die Software bestimmt. Im Widerspruch dazu habe ich gelesen, daß es wohl doch zwei verschiedene Endstufen gibt.
Um sie an einem Booster zu betreiben, benötigt man einen eigenen Transformator, um dem Problem des Kurzschlusses aus dem Wege zu gehen, da die Mobile Station selber wenig Strom benötigt; eigentlich ärgerlich. Es sollte mit einem Transformator gehen; man benötigt nur eine kleine Schaltung zur Trennung der Potentiale (im Nachhinein habe ich festgestellt, daß man die Potentiale nicht trennen muß).
Die Idee: Die Mobile Station an eine Delta-Control anzuschließen und dies als Endstufe nutzen. So kann der Rest der Anlage bleiben. Ich werde mir eine Mobile Station besorgen und es austüfteln.
Eine Mobile Station mit 1,2A und 18 VA Tarfo habe ich mir nun besorgt. Der Testlauf im originalen Zustand brachte das, was ich erwartet habe. Eine Lok fährt damit, zwei fahren gerade so. Tauscht man schon mal den Transformator gegen eine stärkere Variante (30VA ist das Minimum, um der MS die 1,2A zu entlocken), geht es zwar etwas besser aber es reicht für maximal 3 Loks. Aber das soll ja anders werden...
Nach einer Stunde des Lötens und nach der Aufopferung meines Delta Control 6604 war es soweit. Der erste Trockentest mit Oszilloskop an den Gleisen zeigte mir, daß das digitale Signal so aussah wie es, aussehen sollte. Und die Mobile Station rauchte auch nicht ab. Nun kam die erste Lok auf die Gleise und dann ging's über zur echten Probefahrt -es funktioniert!

Verdrahtung der Mobile Station mit Delta Endstufe.
Wer die Geräte zerlegt bzw. kennt, kann anhand des Bildes schon den Umbau erkennen. Man benötigt keine weiteren Bauteile.
Hier nun die Anleitung:
- Den 6604 zerlegen. Dazu den Knopf nach rechts drehen (für Boosterfunktion) und dann abziehen. Die 4 Nieten aufbohren und Gehäuse abnehmen.
- Den einen grauen Draht an der Platine ablöten. Den anderen ca. 2cm von der Platine aus abschneiden, abisolieren und an der Stelle anlöten wo der erste Draht abgelötet wurde. Das entspricht der Brücke an den grauen Buchsen.
- Das Anschlußgleis der MS zerlegen. Dazu die zwei Schrauben herausdrehen. Das braune und das rote Kabel ablöten. Den Anschluß des roten Kabels markieren.
- Das rote Kabel von der dreiadrigen Leitung der 6604 an den markierten Lötpunkt der Anschlußgleisplatine anlöten. Auf dem Foto das grüne Kabel (wer sich auskennt, wird feststellen, daß nur der positive Anteil verwendet wird; da die 6604 mit den negativen Anteilen nichts anfangen kann, ist das auch egal.)
- Nun braucht die Anschlußgleisplatine noch Spannung. Dazu verbindet man den Elko der Anschlußgleisplatine mit dem Elko in der Ecke der Deltaplatine. Rotes und braunes Kabel zwischen den Paltinen. Bitte unbedingt auf die Polung achten! Also "-" des einen Elkos mit "-" des anderen Elkos verbinden und "+" mit "+".
- Erster Test ohne eingesteckte Mobile Station: Die zwei Kabel der ehemals dreiadrigen Leitung wie gewohnt an (L) und (O) des Tarfos anschließen. Mit einem Voltmeter die Spannung an dem Kondensator der Anschlußplatine messen. Sie sollte zwischen 20V und 25V liegen, und 'Minus' auf der richtigen Seite des Elkos sein!
- Wenn die Messwerte stimmen, klemmen wir den Trafo ab und stecken die Mobile Staion ein. Jetzt wird 's spannend. Den Trafo anschließen und die Mobile Station sollte wie gewohnt starten. Bei meiner 6604 hört man nach kurzer Zeit ein zirpendes Geräusch, das signalisiert, daß die Endstufe arbeitet. Aleine wegen des Zirpens ist ein Gehäuse sinvoll. Dieses Geräusch kommt hauptsächlich von dem Überlastschutz in dem Glasröhrchen.
- Nun sollte es funktionieren; die Anschlußbuchsen des 6604 (braun und rot) mit dem Gleis verbinden und probefahren.
- Zum Gehäuseeinbau ist nicht viel zu sagen. Für zusätzliche Kühlung der Endtransistoren ist zu sorgen. Diese sollten isoliert montiert werden, sonnst hat man (B) am Kühlkörper.
- Was ist sonst noch zu beachten? Die Überlastanzeige der Mobile Station funktioniert nicht mehr. Bei meinem 30VA Trafo bricht bei einem Kurzschluß die Spannung soweit zusammen, daß die MS dennoch auf Stop geht. Jetzt brauch ich erst einmal einen größeren Tarafo, um die Grenzen der 6604 zu bestimmen.
- Nachtarg zum Programiergleis:
Von dem markierten Anschluss der Anschlussgleisplatine eine Leitung an eine seperate (blaue) Buchse am Gehäuse führen.
Von dem anderen Anschluss des Gleises eine Leitung zu einer anderen (braune) Buchse am Gehäuse führen.
Das sind die beiden oberen Buchsen auf dem unteren Bild. Diese dürfen auf keinen Fall Verbindung mit den anderen Buchsen bekommen! Hier kann man nun ein Programiergleis anschliessen.
Folgende Erweiterungen kommn in betracht: Ausgang für Programmiergleis und weitere Deltadecontrol als Booster. Eingebauter Trafo mit 50 VA, Lichtausgang (L) für kleinere Lasten, sodaß man als kleiner Teppichbahner nicht so viele Geräte auf- und abbauen muß.
Nach dem Umbau kann man die MS am M-Gleis und K-Gleis problemlos anschließen und betreiben.

Erster Test, noch ohne Gehäuse.

Für mehr Kühlung und Sicherheit kommt das ganze in ein Gehäuse.
Hier ist noch Platz für einen Transformator.

Die Rückseite mit Kühlkörper und Anschlüssen.

Die Vorderseite mit den Anschlüssen für die Mobile Station.
Mal sehen, ein paar Anzeigen über den Zustand wären nicht schlecht.
Nun kann ich meinen alten M-Gleis Bahnübergang 7192 weiter ohne zweiten Trafo nutzen und muß auch nicht mit der Masse aufpassen. Daran passen auch wieder alle Booster und was man so kennt, was ja zumindest laut Bedienungsanleitung nicht erlaubt ist.
Mit der Mobile Station macht das Fahren mehr Spaß als mit Delta Control. Hier nervte es mich immer, die passende Geschwindigkeitseinstellung beim Umschalten der Lok zu finden. In der jetzigen Form ist eine Rückmeldung der Lok nicht möglich. Machbar ist das bestimmt auch. Da ich aber keine MFX-Lok habe, ist es noch uninteressant für mich.
Die erste mfx Lok habe ich mir nun besorgt und auch schon eine Idee wie die Rückmeldung am Booster vorbei kommt. Obs funktioniert ist bald hier zu lesen.
Einen passenden 50VA-Trafo habe ich nun auch gefunden. Er liefert zwar nur 15V unter Last, hat aber einen recht kleinen Innenwiderstand und so fällt die niedrigere Spannung fast nicht auf. Und das beste ist, daß er nur ca. 12 EUR kostet. Da hier dann Netzspannung offen im Gehäuse liegt, ist der Umbau nur etwas für jemanden, der sich mit den entsprechenden Vorschriften auskennt. Daher werde ich keine genaueren Angaben machen.
Da ich fast nur alte Loks mit Alstrommotoren habe, ist mir das rennverhalten der Loks unangenem aufgefallen. Der 15V Trafo schafft gelichgerichtet etwas über 20V an Digitalspannung, laut Anzeige im Infomenü der MS. Um dem rennsemmel Problem aus dem Weg zugehen habe ich mir nun einen 12V Tarfo eingebaut. Dieser bringt es nun auf ca. 16V Digitalspannung und die Endgeschwindigkeit meiner Loks ist doch etwas gesunken. Leider kann ich nun die Anfahrt und Endgeschwindigkeit meiner Loks neu programieren, das kommt davon wenn man ungereglete Antriebe hat. Zuerst folgt noch der Weichenantriebstest.

Hier erkennt man den Netzanschluß und weitere Buchsen der Trafoversion. An den oberen braunen und blauen Buchsen ist das originale MS-Signal herausgeführt. Hier kann man ein Programmiergleis mit MFX anschließen oder an die blaue Buchse weitere Delta Controls als Booster anbringen. Die unteren vier Buchsen entsprechen dem bekannten Trafoanschluß, wobei man den gelben Anschluß nicht zu stark belasten sollte. Die braunen Buchsen stellen die Masse für die Anlage dar und dürfen nie mit der oberen braunen Buchse verbunden werden.
Inzwischen habe ich auch eine Idee, wie man mit Hilfe des Boosters dem Digitalsignal noch Signale für die Weichensteuerung "unterjubeln" kann. Dazu muß ich aber noch ein paar Forschungsarbeiten leisten. Mehr dazu im Winter.
Ach ja, durch diesen Umbau ist das ganze betimmt nicht mehr CE-konform. Also alles auf eigene Gefahr!
Die Bauanleitung ist auch in Modellbahntechnik aktuell erschienen.
mfx Funktion für Delta Booster
Da ich mir zu Weihnachten eine mfx Lok gegönnt habe, kam ich nun zu der leidlichen Frage: Wie bekomme ich mfx durch den Deltabooster.
Beim betrachten der Platine viel mier wieder das silberne viereckicke Teil unterhalb des Steckers auf. Und ich kam auf den Gedanke ob es dabei nicht um einen Trafo handelt. Also habe ich das Teil mal aus meiner Slave MS ausglötet und genauer angesehen. Und es ist ein Transformator bzw. ein Übertrager. Die Primärwicklung liegt zwischen dem Steckeranschluss der auf "0"-braun geht und der Endstufe. Hier fliest also der ganze Bahnstrom durch.
Die andere Seite liegt auf der eine Seite auf Masse und die andere geht über eine Spannungsbegrenzung auf den Eingang vom RDS- Chip.
Der hier beschriebene Umbau passt so nur zu der von mir verwendeten Art des Deltacontrol als Booster. Siehe oberer Artikel.
Durch diese Schaltung ist der Draht der zum Gleisanschluß "0" geht eigentlich frei. Man kann ihn zum "mfx" Programiergleis führen. Da wir diese absofort nicht mehr brauchen ist der Draht frei. In meiner MS ist das der orange Draht der in die MS führt.
Ich habe nun den Übertrager-Trafo aus der MS in die Leitung der Deltacontrolendstufe eingeschleift und die Sekundärwicklung über Masse und den "0" Anschluss zur MS geführt. In die MS kommt eine Brücke von "0" Richtung RDS-Chip über die alten Trafoanschlüsse. So weit die Theorie.
Heute Abend habe ich das dann mal so zusammen gelötet und die mfx Lok aufs Gleis gestellt und die MS in der sie nicht eingetragen ist ansgeschlossen. Sie hat sich angemeldet und lässt sich ohne blinkende Geschwindigkeitsanzeige steuern.

Der Trafo in der MS.
Zuerst lötet man den Trafo aus. Es ist etwas eng zwischen Tarfo und Stecker, aber es geht.
Als nächstes verbindet man den ehemaligen "0" Anschlus mit dem RDS Eingang:

Trafo überbrückt.
Nun lötet man den Trafo am besten auf eine Stück Lochrasterplatine. Der Anschluss mit dem Punkt kommt an den "0" Anschluss Richtung Gleis. Das andere Ende der Primärwicklung kommt an die Endstufe. So fliest durch die Wicklung der Geilsstrom.
Die Sekundärwicklung habe ich mit einer abgeschirmten Leitung an die Gleisanschlussplatine geführt. Der Innenleiter kommt an den Pin gegenüber des schwarzen Punktes. Die Abschirmumg an den anderen Pin der Sekundärwicklung.

Der Trafo am Ausgang des Deltaboosters.
Auf der Gleisanschlussplatine entfernt man die äuserste Drahtbrücke. Danach lötet man den Innenleiter an das Lötauge, das neben demm Stecker der MS, der entfernten Drahtbrücke an ("0" orange Leitung zur MS). Die Abschiermung kommt an den Pin (Masse) neben der MS Buchse. Das ist auf dem folgenden Bild gut zu erkennen.
Die neueren Anschlußgleise haben eine andere Platine, hier fehlen die Drahtbrücken.

das mfx-Signal vom Tarfo wird über die Gleisanschlussplatine zur MS geleitet.
Hier ein Bild vom Innenleben des mfx fähigen Delta-Boosters. Die Lochrasterplatine über der Anschlußgleisplatine trägt die Umschaltelektronik für die Weichensteuerung die weiter unten beschrieben ist.

Ein Blick ins komplette Innenleben mit Netzteil.
Die Testumgebung ist im moment nur ein kleines Oval. Aber es ist ein Ansatz.
Ob man mit der Variante mehrere Booster an eine MS anschließen kann ist mir noch nicht klar.
Durch den Umbau der MS kann man diese leider nicht mehr am original Anschlussgleis verwenden: Sie würde zerstört! Umgekehrt kann keine Standart MS mehr an meinem Booster verwendet werden. Hier kann die MS und der Übertragertrafo beschädigt werden.
Ich werde wohl sicherheitshalber mal andere Stecker vorsehen. Der Übertragertarfo hat recht dünne Wicklungen ob er die knapp 4A Bahnstrom auf dauer schaft wird sich zeigen...
Michael K. hat den Trafo genauer untersucht und dafür seinen geopfert.
Der Trafo hat Primär eine Windung und Sekundär 40 Windungen. Mit den Daten lässt sich auf geeignetem Kern ein eigner Trafo Wickeln.
Mehr als 1,2A ohne großen Umbau?
Da ich bis heute noch keine Infos über die Unterschiede der 1,2A- und 1,9A-MS gefunden habe, folgen hier ein paar Überlegungen:
Leistungstechnisch ist hier der Transistor IRF9953 wohl der Flaschenhals. Dieser schafft im Dauerbetrieb bei 25°C 2,3A. Da er aber nur ca. die Hälfte der Zeit leitend ist, müßte er mehr vertragen können. Der zweite Transistor IRF7103 kann da etwas mehr aushalten und stellt wohl kein Problem dar.
Neuere Varianten haben anstelle des IRF9953 einen IRF7342; dieser hat mehr Reserven.
Der verwendete Prozessor MC9S12DJ64 hat acht Analogeingänge, von denen drei benutzt werden:
Pin 51: 1. Spannung UT (findet man bei zwei MS nur am Master)
Pin 52: 2. Spannung UD
Pin 53: geht in Richtung RDS-Decoder und dient anscheinend der Signalqualitäts-Messung
Hier gibt es mehr Informationen dazu:
Stumi Forum
Mobile Station unterschiede...
1. Zwei Quarze
2. Ein Quarz 25V Elko
3. 35V Elko
4. Neue Zugentlastung und zwei Dioden an 0 und B gegen Masse in der MS
Softwareunterschiede:
| |
HW: |
BL: |
AP: |
AN: |
U |
OVC: / IT |
Anmerkung |
| 1 |
1.0 4010 |
1.0 |
1.0 4010 |
60652 |
232FA |
1,2A |
Ausfall getauscht nach 5 |
| 2 |
1.0 4010 |
1.0 |
1.0 4010 |
29750 |
26A44 |
1,2A |
Ausfall |
| 3 |
1.0 4010 |
1.0 |
1.0 4010 |
29530 |
2AC7E |
1,2A |
|
| 4 |
1.1 4010 |
1.0 |
1.4 4010 |
60652 |
3DCB8 |
1,2A |
|
| 5 |
1.1 C010 |
1.1 |
1.7 4010 |
60651 |
596B8 |
1,9A |
|
| - |
2.0 C001 |
1.1 |
1.7 4011 |
60651 |
5E6** |
IT 1,9 |
Ich denke die Abkürtzung haben folgende Bedeutung:
HW = Hardware
BL = Boot loader
AP = Software
AN = Artikelnummer auch der Startpackung
U = Seriennummer
OVC = Overload current
IT = ersetzt bei neueren den OVC und kann nun den Strom anzeigen
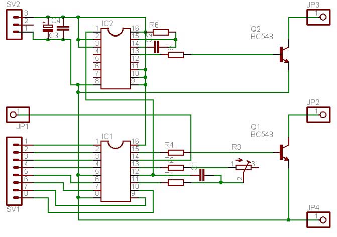
Weichensteuerung mit MS
Jedoch müßte es eigentlich eher Weichensteuerung trotz MS heißen.
Leider kann ich der MS auch keine Weichensteuerung beibringen. Dazu müßte man ja an die Software der MS kommen und diese umschreiben. Und das kann ich nicht.
Vielmehr denke ich an ein zusätzliches Gerät: ein alter PC oder eine eigenständige Hardware, was auch immer. Dieses Gerät muß seinen Datenstrom in das der MS einschleifen. Hierzu bekommt mein Deltabooster eine dritte Frontbuchse. An dieser müssen folgende Signale anliegen:
- +B
- Masse
- Digitalsignal von der MS (MS)
- Digitalsignal für Weichensteuerung (WS)
- Umschaltsignal für Digitalsignale (SEL)
Das macht mindestens fünf Kontakte für die Buchse. Um auf Nummer sicher zu gehen, sollte man der Buchse ein paar Pins mehr spendieren. In Frage kommt entweder eine sechs- oder achtpolige Mini-Din-Buchse. Eine siebenpolige scheidet aus, um das versehentliche Einstecken der zweiten MS zu verhindern. Und da man ja nie weiß, was noch kommt, nehmen wir einfach die achtpolige Mini-Din-Buchse. Da die Mini-Dinbuchsen doch recht fummelig und wackelig sind empfehle ich nun 9 Polige Sub-D Stecker und Buchsen.
Was muß die Weichenstation alles können?
- - STOP erkennen
- - das Weichensinal erzeugen
- - die Signale LOK / WEICHE umschalten
- - ein Bedienpult
STOP läßt sich leicht erkennen und schaltet den Ausgang der Weichenstation aus. Das ist wichtig, um im STOP-Modus nicht Weichensignale zu senden, sodaß keine Loks losfahren. Eventuell ist eine eigene Stoptaste an der Weichenstation vorzusehen.
Die Weichensignale werden mit dem passenden Motorola-IC MC145026 erzeugt.
Die Umschaltung der Signale werde ich erstmal direkt machen. So wird das gerade von der MS gesendete Loksignal 'verstümmelt'. Da der Lokdecoder unter MM ja immer auf zwei gleiche Pakete wartet, dürfte da nichts passieren. Eine verbesserte Variante schaltet nach einem MM-Paket die Signale um. Ob das alles mit MFX klappt, weiß ich nicht.
Als Bedienpult wird erstmal mein alter Acht-Bit-Rechner ZX81 herhalten müssen. Besser wäre es natürlich, einen kleinen Prozessor mit diesem Job zu beauftragen doch leider kenne ich mich mit der Programierung von so etwas ja gar nicht aus.
Hier ein Bild des Prototypen:

Der gute alte ZX81 mit einer selbstgebauten 6k-Erweiterung mit I/O Port (die Bauanleitung stammt aus der Funkschau) steuert den Motorola-Chip MC145026. Der erste Test zeigt, daß er schnell genug ist, den TE-Befehl zu generieren. Dieser wird benötigt, damit der MC145026 nur ein Paket sendet. Da die I/O-Platine nur einen Acht-Bit-Ausgang hat, kann ich damit, ähnlich wie bei Delta, nur 16 Hauptadressen und die dazugehörigen Subadressen generieren.Das macht 64 Weichen und wäre zwar noch erweiterungsfähig, aber ob der ZX81 unbedingt das Bedienteil für meine Weichesteuerung ist...?
Dieser TE-Befehl wird mit einem weiteren Softwareschalter auf der I/O-Paltine erzeugt.
Auf der querliegenden Platine befindet sich der Motorola-Chip. Hier fehlt nun noch die Schaltung zum Umschalten der Signale und die STOP-Auswertung.
11.01.2006: Heute habe ich mir den ersten Decoder und einen Weichenantrieb besorgt, sodaß ich den ersten realen Test durchführen konnte. Der Ausgang des Motorola-IC geht direkt an die 6604 und am Ausgang hängt der Decoder am Gleis. Das Ergebnis ist sehr gut; die 6604 kommt mit dem TTL-Pegel von 5V aus und gibt die Signale am Ausgang verstärkt ab. Und auch meine Formel zur Datenberechnung für das IC stimmt. Ich kann die Weiche einwandfrei schalten. Nun fehlt nur noch die Signalumschaltung und der entgültige Test, ob es denn auch mit der MS zusammen funktioniert.
14.01.2006: Drei Tage und zwei TTL-ICs später:
Der Versuchsaufbau ist fertig und die Sache funktioniert. Die Schaltung mit dem ZX81 als Steuergerät mogelt dem Signal der MS das Weichensignal unter. Das funktioniert nur mit einem nachgeschalteten Booster, siehe Projekt oben. Auch andere Boostervarianten sollten funktionieren.
Ich werde die Steuerung mit dem ZX81 erstmal weiter ausbauen. Vielleicht ist er doch nicht so schlecht, zumal ich in der Software Weichenstraßen und andere Sonderfunktionen ohne Probleme realisieren kann.
12.02.2006: Endlich ein Test mit einer kleinen Anlage, einer Weiche und einer Lok.
Fazit: Selbst wenn ich schnell Weichensignale nacheinander sende, kommt die Lok nicht aus dem Gleichgewicht.
Ich habe den 74460-Decoder und auch den Weichei-Decoder von www.digital-bahn.de gestestet. Der 74460 hört aufs Wort und das Weichei läßt sich ohne Probleme programmieren und steuern. Auch ist der ZX81 schnell genug und schafft es, Weichenstraßen zügig zu schalten.
04.03.2007: Ich habe heute die Weichensteuerung unter mfx getestet. Auch hier gibt es keine Probleme: Die mfx Lok lässt sich steuern und man kann dabei die Weichen schalten.
Ich arbeite nun an einer einfacheren Steuerpaltine für den ZX81. Diese past zur not sogr in das Gehäuse des ZX81.
13.04.2008: Ich habe beim ZX-Team treffen endlich die neue Steuerplatine fertig gestellt und erfolgreich gestestet. Der Ausgabe Port wurde mit dem Sparinterface aus der Funkschau realisiert. Die Schaltung besteht nun nur noch aus 4 IC's. Weiteres wenn ich mehr Zeit habe.
Zur Funktion:
Mit Hilfe eines 74HC123 erzeuge ich das Umschaltsignal. Das IC beinhaltet zwei nachtrigerbare Monflops. Ich benutze eines; dieses wird vom Oszillator des MC145026 getrigert und liefert so den Rechteckimpuls für das Austauschen der Signale. Auf der Boosterseite übernehmen zwei NAND-Gater und etwas Kleinzeug die eigentliche Umschaltung.
Gebe ich nun die Weiche im ZX81 ein, wird die Adresse über den Ausgang des I/O-Ports an das MC145026 weitergegeben. Der Softwareschalter schaltet kurz ein und aus. Dadurch wird TE auf Masse gesetzt und das MC145026 nimmt seine Arbeit auf. Der Oszillator schwingt an, das Monoflop schaltet um, der MC145026 begint zu senden und das Monoflop schaltet in den Ruhezustand zurück.
Während das Monoflop geschaltet ist, werden die Signale der MS vom Booster getrennt und die Signale des MC145026 an diesen geleitet.
Die Schaltung ist so aufgabaut, daß mein Booster auch ohne eingesteckte Weichensteuerung funktioniert.
Da der ZX81 eine eigene Stromversorgung hat, benötige ich im Moment bloß vier Verbindungsleitungen:
Masse, Signal vom MC145026 (WS), Umschaltsignal (SEL) und das Signal der MS (MS). Dieses wird im Moment noch nicht ausgewertet.
Was kann die Software:
Da der ZX81 so ohne weiteres keine hochauflösende Grafiken bewältigen kann, zeigt die Software die 64 Weichen als Zahlentabelle an.
Wurde eine Weiche von der Software angesteuert, zeigt sie den Zustand der Weiche mit einem G für grün und einem R für rot an.
Die Weiche zu schalten, geht recht einfach: Die Adresse und "G" oder "R" eintippen, fertig. Die Weiche wird geschaltet und der Zustand in die Tabelle übernommen.

Ein Screenshot der Anzeige.
Hier ist das Programm WS. Es läßt sich mit dem ZX81 Emulator EXTENDER starten und testen. Damit kann man natürlich keine echten Weichen schalten.
Hier nun die neuste Version 19. Es sind einige Verbesserungen eingeflossen. Außerdem unterstützt sie die neue Hardwareversion mit Sparinterface. Dazu säter mehr.
Und die Umrechnungstabelle der Weichenadressen.
Zur Bedienung des Programms:
Nach dem Start sieht man eine Tabelle mit den 64 Weichenadressen.
Folgende Funktionen hat das Programm:
1.
- "G" schaltet auf grün.
- "R" schaltet auf rot.
Die Farben sind zwar für eine Weiche quatsch, aber die Originaltasten der Schaltpulte sind
ja auch so gefärbt.
Zum Schalten gibt man die Adresse (ein- oder zweistellig), gefolgt von "G" oder
"R" ein.
z. B. 12G
Danach erscheint rechts neben der 12 ein "G" und links ein Balken. Dieser markiert die aktive Weiche.
Diese Weiche kann man nun ohne Zahl direkt mit "G" und "R" schalten.
2.
- "I" steht für Initialisieren.
- "I" schaltet alle bekannten Weichen nacheinander durch, falls man mal mit
der Hand rumgespielt hat.
3.
"W" steht für Weichenstraße
Die Weichenstraßen sind in einem Variabelnfeld definiert, drei Zeichen pro Weiche: Die ersten zwei sind die Adresse, die dritte ist die Funktion "R" / "G". "XXX" ist ein Platzhalter, wenn man weniger als zehn Weichen schalten will.
Die Weichenstraße wird mit einer Zahl von 1 bis 9 & "W" ausgewählt.
z. B. 1W
Alle Weichen aus dem Feld (1) werden nacheinander abgearbeitet.
4.
"S" startet das Speichern.
Es wird nach dem Dateinamen gefragt. Läßt man den Namen weg und drückt nur 'Newline', kehrt das Programm zurück.
Hat man einen Namen vergeben, startet das Abspeichern.
Wer noch Ideen hat (falls das überhaupt jemand liest), immer her damit.
Weitere Infos finden sich in der Ws11-zip
Hier der Schaltplan der Signalplatine:

Plan der Signalplatine. Hier wird das WS- und SEL-Signal erzeugt.
Stückliste
- IC1: MC145026
- IC2: 74HC123 (2 fach MONOFLOP)
- Q1, Q1: BC 548
- C1: 1nF
- C2: 4,7nF
C3: 100nF
- C4: 100µF
- R1: 22kOhm
- R2: 10kOhm
- R3: 2,2kOhm
- R4, R5: 4,7kOhm
- R6: 470kOhm
Kurze Beschreibung:
Diese Version der Signalplatine paßt auf die 6k und I/O-Erweiterung von Oskar Merker (Funkschau).
SV1 ist der Acht-Bit-Ausgang der I/O.
SV2 liefert die Versorgungsspanung: (3) +5V (1) Masse.
JP1 ist das TE-Signal: Pin 11 IC8 der I/O Paltine.
JP2 ist das WS-Signal.
JP3 ist das SEL-Signal.
JP4 ist Signal Masse.
Abgleich
Der Oszillator des MC145026 muß abgeglichen werden. Die Frequenz beträgt 38,4kHz und wird mit R3 eingestellt. Bitte nicht wundern, wenn man in anderen Quellen eine Frequenz von 76,8kHz findet; diese gilt für die frühere Generation der ICs. Mehr dazu später.
Als nächstes kommt die Umschalt-Schaltung

Plan der Umschaltplatine. Hier wird das MS-Signal durch das WS-Signal ersetzt.
Stückliste
- IC1: 74LS00 (vierfach NAND)
- D1: 1N4148 (oder Drahtbrücke)
- D2: 5,1V Z-Diode
- C1: 100nF
- R1: 2,7kOhm
- R2, R3: 2,2kOhm
Funktionsbeschreibung:
Das Signal der MS (Anschlußgleis rot) wird über D1 von dem negativen Signalanteil getrennt und über R1 auf die Z-Diode D2 geführt. An der Kathode haben wir nun ein TTL-kompatibles Signal von ca. 5Vss.
Dieses Signal kommt auf einen NAND-Eingang Pin 13.
Im Normalfall, die Weichensteuerung ist nicht eingesteckt oder sendet gerade keine Weichenbefehle, ist Pin 12 High und am Ausgang des NAND Pin 11 steht das invertierte MS-Signal an.
Dieses gelangt auf Pin 10 - Eingang des zweiten NAND-Gatter. Hier ist im Normalfall auch Pin 9 High. Das Signal wird ein zweites Mal invertiert und steht somit richtig herum am Ausgang Pin 3 an.
Von da geht es zum Eingang des als Booster geschalteten Delta Control. Die Schaltung paßt, so wie sie ist, zu meinem Deltabooster und wird nur in die "grüne" Leitung eingeschleift (siehe Artikel weiter oben).
Sie läßt sich auch mit einer separat versorgten MS verwenden und zwischen MS und Delta Control schalten. Dafür muß man aus der Ausgangsspannung noch 5V für den 74LS00 gewinnen, was nicht so schwierg ist.
Kommen wir nun zum Weichensteuern:
Als erstes wird SEL über den Openkollektor Q2 auf Low gezogen. Damit geht auch Pin 12 auf Low, der Ausgang Pin 11 des Gatters geht auf High und das MS-Signal wird blockiert.
Kurze Zeit später kommen die WS-Signale an Pin 9 an; sie werden in dem Gatter invertiert, stehen nun am Ausgang Pin 3 in richtiger Lage an und gehen zum Booster.
Etwas verzögert nach der Übertragung geht auch Pin 12 wieder auf High und die MS-Signale gelangen wieder zum Booster.
Der 74LS00 braucht noch 5V Versorgungsspannung. Diese kann man am Spannungsregler auf der Delta-Platine abgreifen. +5V findet man an dem Pin, der dem Kühlkörper der Endstufe zugewandt ist. Masse (GND) ist der mittlere Pin oder der Anschluß "-" an dem Elko der Anschlußgleisplatine.
Stecker

Blick auf die achtpolige Buchse.
- + 22V
- WS - das Weichensteuersignal
- MS - das Signal von der MS
- SEL - das Umschaltsignal
- Signal Masse
Leider habe ich mir mit der achtpoligen-Buchse doch ein Ei gelegt. Der achtpolige Stecker paßt in die siebenpoligen Buchse der Slave-MS, also Vorsicht!
WS ohne MS?
Ich wurde schon gefragt, ob man mit der Weichensteuerung auch einen sparaten Stromkreis nur für Magnetartikel steuern und versorgen kann.
Die Antwort lautet: JA!
Dazu benötigen wir einen separaten Booster. Am einfachsten ist es, wenn wir einen Delta Control und den Lichtsstorm des vorhanden AC-Transformators nehmen oder einen separaten Wechselstromtrafo mit 15V.
Die Software für den ZX81 werde ich leicht anpassen, da hier ja dauernd gesendet werden muß. Und das Umschalten der Signale entfällt.
Hierfür sind dann aber separate Leitungen auf der Anlage zu verlegen.
Wer nur Weichen steuern will, benötigt nur den unteren Teil der Schaltung. Pin 14 von IC1 kommt auf Masse; damit sendet das IC permanent. Der Transistor Q1 muß weg, da er das Signal invertiert. Im Prinzip kann man den Ausgang (Pin 15) direkt mit dem Eingang des Delta Control verbinden. Das IC ist allerdings empfindlich gegen statische Aufladung. Am einfachsten schaltet man zwei in Reihe geschaltete 7400-Gatter dahinter....
Displaybeleuchtung für Mobile Station
Im Dunkeln sieht zwar die Modellbahn recht gut aus. Aber wer mit der Mobile Station unterwegs ist, tut sich schwer, die Lok zu wechseln. Das geht mit Delta Control besser, wenn es auch so ziemlich das einzige ist, was besser geht. Angeregt durch meine Nachtfahrt und die bogobit-Webseite, wollte ich doch mal sehen, wie man das Display beleuchten kann. Es ist von hinten lichtdurchlässig, was zeigt, daß es für Beleuchtung eigentlich vorgesehen ist (transreflektiv). Normale LCDs sind eigentlich nur reflektiv und von hinten lichtundurchlässig.
Achtung, bei diesen Umbauarbeiten erlischt bestimmt die Garantie der Mobile Station! Und sie verliert bestimmt ihre CE-Zulassung.
Zur Beleuchtung verwende ich zwei 3mm LEDs mit 50° Abstrahlwinkel 2V und 30mA, die ich links in den roten Kunstoffrahmen der LCD-Halterung eingebaut habe. Sie passen gut zwischen die Funktionstasten. Am besten nur ein kleines Loch bohren (ca. 1,5mm) und dann vorsichtig auffeilen. Der Kunststoff ist recht dünn und würde beim Bohren mit einem 3mm Bohrer bestimmt reißen. Auch sollte man die Gummistreifen und das Display nicht unnötig berühren, da es schnell zu Kontaktproblemen kommen kann.
Anschließen kann man 'Plus' an der Kathode der Diode und 'Minus' an dem hinteren Widerstand, siehe Bild. An der Kathode der Diode ist Spannung (UD ca. 22V) sowohl im Master- als auch im Slave-Betrieb vorhanden. An der Anode (UT ca. 23V)nur im Master-Betrieb. Als Vorwiderstand habe ich hier 820 Ohm genomen; damit fließt ein Strom von ca. 20 mA, mehr geht zwar, jedoch war es mir zu "grell". Der Widerstand wird doch recht warm, denn er muß ca. 0,32W verbraten. Gesamtleistung: 0,44W.
Im nächsten Versuch werde ich die 5V Spannug vom DC/DC-Wandler abgreifen. Dafür müssen die LEDs auf die rechte Seite. Hier benötige ich dann 47 Ohm und verbrate nur 0,02W. Gesamte Leistung: 0,1W. Ich hoffe nur der Wandler hat genug Reserve für meine 20mA.
Die Lichtverteilung ist nicht besonders geleichmäßig, aber es ist schon recht brauchbar. Etwas besser wäre es, wenn man auf beiden Seiten zwei LEDs einbaute. Hier bleibt man dann am besten an den 22V. Auch für weiße oder blaue LEDs ist das die beste Wahl.
Die Lichtverteilung wird etwas besser wenn man einen Reflektor aus weißem Papier einbaut. Dazu Papier auf die größe 34mm x 63mm zuschneiden. Die beiden schmalen Seiten bei 4mm abknicken. An den Stellen, wo die LEDs sind, zwei Aussparungen in die Seite schneiden.
Hier ein paar Bilder.

Nun klappt auch eine Nachtfahrt.

Rot macht sich sehr gut.

Hier der Anschluß an die ca. 22V.

Hier der Anschluß an die 5V des DC DC Wandlers. Dazu muß man die LEDs rechts einbauen. An dem Punkt mit dem SMD Widerstand (47 Ohm) liegen die +5V an. Der andere ist 'Minus'.
Die Lötpunkte in der Ecke sind entweder zum Testen der Elektronik oder zum Programmieren. Zumindest scheint es so. Anscheinend gibt es auch verschidene Hardware-Varianten. Die Platine der MS auf der Bogobit-Seite hat einen Quarz unter dem Display, bei meinen beiden MS ist keiner?!
Verlängerungskabel für die MS
Es soll ja laut Anleitung nicht möglich sein, aber ich denke, es sollte doch gehen. Bei der Master-MS sehe ich schwarz. Da ich den zehnpoligen Stecker und die passende Kupplung noch nirgendwo gefunden habe. Außerdem ist der Spannungsabfall, bedingt durch die Endstufe in der MS, an der Leitung wohl nicht zu vernachlässigen.
Die Eigenart, das Anschlußgleis mit zwei verschidenen Buchsen zu bestücken, ist mir zwar nicht ganz klar, denn es würde genausogut mit zwei zehnpoligen Buchsen funktionieren. Doch hat die siebenpolige Buchse den Vorteil, daß man hierfür einen passenden Stecker und Kupplung bekommt.
So habe ich mir nun mit einer geschirmten vieradrigen Datenleitung eine 5m-Verlängerung zusammengelötet und kann bisher noch keine Probleme feststellen.
Für die Teppichbahn gerechte digitale Schiebebühnensteuerung
Um Weihnachten 'rum habe ich mir eine defekte Schiebebühne ersteigert und wieder zum Laufen gebracht. So eine wollte ich früher schon immer haben ;-)
Der Vorteil der Schiebebühne ist, daß man sie als Teppichbahner nutzen kann. Bei den modernen Drehscheiben müßte ich ja ein Loch in den Teppich schneiden....
Da ich ja mittlerweile komplett digital steuere und somit wenig Kabel benötige, ist die originale Steuerung der Schiebebühne nicht ganz so das Passende. Eine Steuerung, die in die Bühne paßt, habe ich noch nicht gefunden und so kommt hier eine halbe Eigenentwicklung zum Einsatz.
Das ganze besteht aus
- einem Weichei-Decoder; der paßt unten in die Hohlräume.
- einem Spannungsregler 7809 (Stromverbrauch bei laufendem Motor ca. 180mA 18V Gleisspannung)
- 2 100nF SMD Kondensatoren für 7809
- einem Relais (RL1) einmal bipolar 2x um 5V, Siemens, Typ V23079-A1011-X6 (hab ich mal ersteigert)
- einem Relais (RL2) einmal 1x um 24V G5V-1 24V (>20V Boosterspannung) oder 12 V G5V-1 12V (11-20V Boosterspannung) von Reichelt
- zwei Widerstände (R1 und R2) 390Ohm (ab 20V Boosterspannung) oder 270Ohm (bis 20V Boosterspannung)
- zwei Dioden (D1 und D2) 1N4148
- einem Elko (C1) 47µF bis 100µ 25V

Und so wird 's gemacht:
Links ist der Decoder; dieser hängt wie bei der Weiche an der Bahnspannung.
Damit die Loks auf den Abstellgleisen immer Strom haben, habe ich "B", den Mitteleiter, dafür an allen Anschlußtücken der Bühne gebrückt.
Der Laternenausgang des Decoders ist noch frei, da kann man also noch etwas mit steuern.
Als nächstes kommt der Spannungsregler: hier die 9V-Variante 7809. Damit läuft der Motor genau richtig. Es fehlt hier noch ein Kühlkörper. Da ich den Regler ja noch gegen einen DC/DC-Wandler tauschen will, bleibt das erstmal so. Seine Spannung bekommt der Regler vom Weichei-Gleichrichter. Der Kühlkörper sollte nicht mit den Metallteilen in Berührung kommen. Bitte gut isolieren!
1. Nachtrag: Um Schwingungen des 7809 Reglers zu vermeiden sind 2 SMD 100nF Kondensatoren an dem Regler anzubrineg. Eine vom mitleren Pin nach links und einen vom mitleren nach rechts.
2. Nachtarg: 7809 Regler gegen R-789.0-0.5 Schaltregler getauscht. Vortiel: Die Strohmaufnahme sinkt auf 100mA, keine SMD Kondensatoren und Kühlkörper nötig. Nachteil: Das Ding kostet fast 10 EUR.
Die 9V gehen auf das weiße bipolare Relais (RL1) und sind an den zwei Umschaltern überkreuz angeschlossen. Es dient als Polwender für die Richtung der Bühne.
Das (RL1) benötigt 5V zur Ansteuerung und hat nur eine Spule. Je nachdem wie der Strom durch die Spule fließt, schaltet es in die eine oder andere Position. Beide Enden der Spule hängen über je einen Widerstand (R1 und R2) an + vom Weicheidecoder. Gleichzeitig sind die Enden jeweils direkt mit dem Weichenausgang des Decoders verbunden. So kann man über die Weichenbefehle die Richtung der Bühne schalten.

Prinziepschaltbild des Einspuhlenbiesapilerelais mit zwei gleichen Ansteuerungen.
+ = Versotgungsspannung vom Weichendecoder
1 = Ausgang 1 des Decoders
2 = Ausgang 2 des Decoders
R1, R2 Vorwiderstand
RL = Relais-Spule
Das schwarze Relais (RL2) wird über zwei Dioden von den Weichenausgängen angesteuert. Die andere Seite hängt an + und zieht bei jedem Weichenumstellen kurz an. Damit der Impuls länger wird, habe ich noch einen Elko (C1) parallel zur Spule geschaltet. Dennoch muß der Ausschaltimpuls hier etwas später kommen als bei den Weichen, was bei meiner selbstgeschriebenen Software kein Problem ist. Aber auch mit der CS ohne Problm funktioniert, wenn man den Finger etwas länger drauf lässt.
Die Ausgänge vom RL1 gehen an die Bühnenanschlüsse 1 (M) 2. Von 2 geht eine weitere Verbindung über den Schließkontakt des RL2 an 3 der Bühne. Diese sorgt für das Anfahren der Bühne. Auch sollte man bei den Relais darauf achten, daß keine Anschlüsse an die Metallteile der Bühne kommen.

Schaltplan
Das ist dann auch schon alles. Sicher gibt es da bessere Schaltungen, aber ich kenne sonnst keine, die in die Bühne paßt und so direkt über die Gleise versorgt werden kann. Da der Motor unter 200mA zieht, ist das auch kein Problem. Mit dem DC/DC-Wandler kann man die Stromaufnahme noch auf ca. 100mA drücken.
Hat man den Decoder mit einer Adresse programmiert, kann man die Bühne mit 'grün' und 'rot' steuern: 'grün' ein Step in die eine und rot einen in die andere Richtung. Für Automatikbetrieb ist das natürlich nichts. Aber für Spielbahner wie mich ausreichend. Der Weichenbefehl für rot und grün sollte als Impuls programiert sein. Wenn man sich den PIC für den Weicheie selberbrennt, so kann man die Abschaltzeit ruhig auf 1-2 Sekunden einstellen und den Kondensator an RL2 sparen.
Wer die schaltbaren Oberleitungsausgänge nicht braucht, kann mit den Kontakten unter der Bühne eine Überspringfunktion für nicht benutzte Gleisanschlüsse oder eine Rückmeldung für die Bühne aufbauen.
Update 07.08.17:
Miterlweile habe ich einen Raum für eine kleine Moba und so kann ich der Teppichbahn langsam auf wiedersehen sagen. Was dem zunehmenden Alter auch entgegenkommt.
Ich bin gerade an einem kleinen BW und habe die Schiebebühne nun auf einer Platte montiert. Um an die Steuerung besser heranzukommen habe ich sie auf eine Lochrasterpaltine verpflanzt. Diese findet unter die Platte platz.
Dabei kamen ein paar Modifikationen hinzu:
Das Bipolare Relais wurde durch eines mit 2 Spulen mit 12V ersetzt. So brauch es auch die Widerstandsschaltung nicht mehr.
Der Spannungsregeler ist weiterhin ein Schaltregler mit 9V.
Diese Schaltung kann auch für eine einfach Steuerung der Fleischmann Drehscheibe verwendet werden. Getestet mit der 6652 (ohne "C"). Damit der Elektromagnet die Verriegelung freigeben kann bedarf es einer höheren Spannung, dafür muss der Spannungsregler durch einen mit 12V ausgetauscht werden.
Schiebebühne Anschlussnummer - Kabelfabe 6652
- - rot
- - gelb
- - grau
Entkuppler mit Weichei
Mit dem Weicheidecoder kann man auch entkuppeln. Einfach den Decoder in ein Nachbargleis einbauen.

Der kurzen Impuls des Decoders reichen aus um die Kupplung zu lösen. Der Stromverbrauch ist recht groß so das am Bahnstrom angschlossene Beleuchtung schon sichtbar dunkler wird. Aber für's entkuppeln auf dem Teppich ganz ok.
Entkuppler mit Weichei und fast Dauerfunktion
Ein andere Variante mit dem Weichei das Enkuplungsglies anzusteuern ist zwar nicht Teppichbahn tauglich, dafür kann der Endkuppler wesentlich länger eingeschaltet bleiben.
Der Decoder wird so programmiert das bei "grün" der 1. Ausgang angesteuert wird und die Laterne eingeschaltet wird. An den Laternenausagen kommt ein Vorwiderstand mit 33 Ohm und mindestens 9 Watt an den Ausgang 1. An diesen dann die Spule des Entkuplungsgleises.
Schaltet man nun "grün", bekommt die Spule üner Ausgang 1 einen großen Stromimpuls und der Bügel fährt hoch. Nach abschalten von Ausgang 1 fliest noch ein "kleiner" Haltestom über den Lichtausgang, den Widerstand und die Spule der ausreicht damit der Bügel oben bleibt. Nach drücken von "rot" fällt der Bügel wieder nach unten.
Da der Widerstand gut warm wird ist es wichtige in so zu montieren das die Wärme keinen Schaden verursachen kann.
Mit dieser Schaltung ist zwar immer noch kein Dauerbetrieb möglich aber man hat nun gut Zeit den Wagen abzukuppeln.
Ein paar Grundlagen:
Die Spule des Entkupplers hat 11.8 Ohm. Bei einer Gleissapnnung von 19 V fliest ein Strom von 1,6A!
Die Spule mit den 32 Ohm Vorwiderstand kommt dann nur noch auf einen Strom von 0,42 A. Am Widerstand fallen dann 13,57 V ab. Was einer Verlustleistung von knapp 6 Watt macht.
An andererstelle habe ich für Virwuderstände auch gerne Schaltregler eingesetzt. Diese sind mitlerweile auch recht günstig geworden, nur schaltet der Weichei den Minus. Sodas ein Schaltrgler hier nicht so einfach eingesetzt werden kann.
Kühle Weichenlaternen
Die LED beleuchtetetn Laternchen sind ja schon eine Verbesserung zu den Glühlampen der M-Gleise. Doch auch die LED-Lämpchen werden noch recht warm und am Digitalstrom betrieben verbrauchen sie unnötig Energie.
Bei 18V fliesen pro Lämpchen ca. 15mA. Das macht 0,27 Watt ~ 0,27VA.

Die Schaltung ist recht einfach: Sie besteht aus einem Widerstand gefolgt von zwei "antiparalell" geschalteten gelben LEDs und noch einem Widerstand. Jeder Widerstand hat 560Ohm.
Benutzt man so wie ich den Weicheidecoder so leuchtet von den beiden LEDs nur eine. Lötet man die LEDs nun so um das die zwei LEDs in Reihe geschaltet sind und ändert einen Widerstand in 1,5kOhm. So fliest bei gleicher Helligkeit nur noch ein Strom von 7mA und das Lämpchen ist nun deutlich kühler.
Eine Steigerung der Stromsparmasnahme ereicht man in dem man die LED ersetzt.

Eine helle SMD LED mit ca. 700 mcd bei 20mA, kann man dann mit 10kOhm Vorwiderstand betreiben was ungefähr auf 1,5mA hinausläuft. Und dadurch mit nur 0,027 Watt zu buche schlägt. Das tolle nebenbei man kann eine weiße LED verwenden...
Blechwagen beleuchten

Ok, ich bin nicht der erste, der Licht in diese Wagen bringt, aber nicht alle Lösungen haben mich überzeugt.
- Die originale 7077-Beleuchtung sieht einfach furchtbar aus. Viel zu hell, ungleichmäßig und stromhungrig. "Ein Leuchtturm auf Rädern." Aber einfach einzubauen.
- Die LED-Leisten sind entweder recht teuer oder im Selbstbau zu aufwendig. Auch nicht gerade einfach einzubauen.
- ...
LEDs sollten es schon sein; aber eine Platiene, muß das sein? Nein!
Der Vorteil bei den Blechwagen ist, daß man das Dach abnehmen und so recht einfach die LEDs von oben einbauen kann. Ich habe einige Varianten durchprobiert und bin zum Schluß bei einer Version angekommen, die mir gefällt. Ich beleuchte nun indirekt, so entsteht ein weiches, recht gleichmäßiges Licht. Ich benutze 5 helle, gelbe 3mm LEDs; diese biege ich so, daß die Drähte waagerecht zur Seite gehen. Diese verteile ich gleichmäßig im Wagen. Es sind gelbe LEDs mit 2V, maximal 30mA und 1300mcd. Damit die Sache richtig funktioniert, barauchen wir noch einen Vorwiderstand und einen Gleichrichter.
Gut, etwas Matematik:
Vorwiderstand = überschüssige Spannung : Strom.
R = 24V-10V : 0,03
Das sind 466 Ohm, der nächste E12-Widerstand ist 470 Ohm 0,25W. Lieber den Widerstand größer wählen; so bleibt der Strom unter dem Maximalwert. Die 24V sind die angenommene maxiamale Digitalsapnnung und die 10V sind 5x 2V der LEDs. Da der Brückengeleichrichter auch noch etwas mehr als ein Volt "verschluckt", sind wir mit 470 Ohm auf der sicheren Seite.
Damit ist der Wagen gut beleuchtet, eher zu gut, für meinen Geschmack zu hell. Ich habe den Widerstand verdoppelt (1kOhm 0,25W) und damit gefällt mir das schon besser.
Wie macht man das nun alles im Wagen fest?

Auf der einen Seite klebe ich den Gleichrichter mit Sekundenkleber auf den äußersten Steg. Auf die restlichen drei Stege kommt ein passend geschnittener Streifen Isolierband. Anschließend die LEDs in Reihe schalten, auf die Polung achten und positionieren, sodaß sie nach oben leuchten. Sie dürfen keine Verbindung mit dem Metall des Wagens haben. Den Vorwiderstand nicht vergessen. Nun noch die LEDs mit einer zweiten Lage Isolierband befestigen. Das geht bestimmt auch mit Isolierschläuchen o ä.
Um die Sache mit Strom zu versorgen, löte ich einen "~" Anschluß des Gleichrichters (ein DIL Gleichrichter mit 40V reicht) an den Steg und den anderen führe ich an den originalen Schleifer. Fertig.
Die Beleuchtung funktioniert nur richtig bei geschlossenem Dach. Ich habe es mit dem 4111, 4112 und 4045 getstet. Die Dächer bei diesen Wagen sind auch von innen mattsilber lackiert und sorgen so für die geleichmäßige Beleuchtung. Beim Speisewagen 4045 habe ich bei gleichen Widerständen im Küchenbreiech zwei weiße LEDs und drei gelbe im Tischbereich eingebaut.
An manchen Stellen auf den Geleisen fängt es dann doch an zu Flackern. Da hilft nur ein Elko! Mit 100µF (C) direkt am Gleichrichter (+ / -) sieht es dann schon wider besser aus. Zur Spannungsfestigkeit des Kondensators gibt es folgendes zu sagen. 35V sind Pflicht, damit überlebt er auch einen Anlog Fahrtrichtungswechselimpuls. Wer nur digital fährt, kann zur Not auch 25V nehmen. Dieser würde einen Analogumschaltimpuls nicht überleben, er könnte sogar platzen und das Elkrolyt im Wagen verteilte sich. In dieser Version macht das Ganze für Analog auch keinen Sinn, da die Beleuchtung recht spät anginge.
Da so ein leerer 100µF Kondensator bei 24V doch ordentlich Strom zieht und ich meine Räder und Schienen schonen möchte, habe ich einen Widerstand von 100 Ohm 0,25W (R1) vor dem Gleichrichter eingefügt. Dieser begrenzt den Ladestrom des Kondensators. Damit es nicht zu dunkel wird, habe ich den 1kOhm Widerstand in 820 Ohm getauscht. Nun flackert nichts mehr.
Das war der Stand von 2005. 2010 sieht das Ganze nun etwas moderner aus. Ich habe mir von Volker eine Platine ätzen lassen. Und das ganze etwas professioneller gestaltet:

Mittlerweile gibt es auch recht günstig ultrahelle LEDs in warm weiß (z.B. Reichelt LED 3-10200 WW). Als Vorwiderstand R2 habe ich 10k Ohm 0,25W verwendet. Und es leuchtet immer noch angenehm hell. R1 hat weiterhin 100 Ohm 0,25W. Die Beleuchtung braucht wehniger als 10mA.

Schaltungsskitze
Tachowagen
Warum einen Tachowagen?
Ich mag es nicht, wenn meine 3000 BR 89 die E-Lok überholt. Und auf den engen Radien sieht es auch nicht so doll aus, wenn die E-Lok in den Kurven vom Gleis kippt.
Da ich nur alte Loks habe und die möglichst günstig digitalisiert habe, ist es doch eher ernüchternd, wenn ich mit 14 Fahrstufen sehe, was da passiert. In den unteren Fahrstufen ist der Unterschied recht gerinig und in den letzten Stufen sind es dann 10 - 20 km/h, je nach Endgeschwindigkeit.
Aber rangieren macht mit angepaßten Loks viel mehr Spaß, da ich hier die wenigen Fahrstufen besser ausnutzen kann.
Hier die Berechnung für den Eintrag in den Fahrradtacho:
Der Durchmesser des Rades meines Tachowagnes beträgt 12mm.
Das Ganze mal 87 (wegen des Maßstabes) = 1044mm
Nun mal Pi (für den Umfang) = 3280mm oder 3,28m
Mein Fahrradtacho geht leider nur bis 2,999m Umfang. Also habe ich die Hälfte, 1,640m, eigegeben. Multipliziere ich die Anzeige mit zwei, habe ich die richtige Geschwindigkeit. Bei langsamen Loks benutze ich 2 Magnete und die Anzeige stimmt. Ich verwende dünne Stabmagnete; die passen genau zwischen die Räder.
Rechne ich die 2,999m zurück, komme ich auf einen Raddurchmesser von weniger als 11mm. Vielleicht sollte ich mir einen anderen Wagen suchen.

Fahrradtacho auf einem alten Wagen. Der war mal bei einer Auktion mit dabei, es fehlten die Aufbauten und eine Kupplung; sozusagen ideal.

Das ganze von unten.

Hier sieht man den Reedsensor mit den zwei Magneten. Die brauche ich, da mein Fahrradtacho mit dem "großen" Rad nicht zurecht kommt. Da das ganze ab 90 km/h Anzeige anfängt rumzuspinnen, kann ich einen Magneten abnehmen und dann bis 180km/h messen (Anzeige x2).
Warum das ganze bei 90km/h rummspinnt, weiß ich noch nicht so recht; ich denke, es liegt am Reedsensor. Am liebsten würde ich den Sensor mit einer Reflexlichtschranke ersetzen. Leider läßt sich das nicht mehr ohne zusätzliche Stromversorgung realisieren und der Wagen bräuchte dann einen Schleifer. Das ist mir im Moment zu aufwendig.
Ich konnte im Dezember 2007 einen kleinen Vergleichstest mit dem Käsefrau Tachowagen 5555 machen, Fazit: Mein Tacowagen stimmt ganz genau.
Mittlerweile hab ich den Tachowagen auf ein Sigma BC 509 umgebaut. Dieser kommt nun mit den großen Rädern zurecht und geht auch bis auf eine maximal Geschwindigkeit von 199km/h.
Deltadecoder
Umbau der neueren Version mit SMD-Widerständen.
Dieser Umbau ist ja schon auf einigen Seiten beschrieben (z. B. Dr. Königs Märklin-Digital-Page) und so möchte ich nicht näher darauf eingehen. Der Umbau gestaltet sich etwas übersichtlicher, wenn man für die zwei 4,7kOhm-Widerstände SMD-Bauteile verwendet. Dies kann man an die Position der entfernten 680 Ohm-Widerstände löten. Man muß nur die Seite, die zur Motorstufe geht, isolieren. Das kann man auf dem Bild erkennen.

So ändert sich das Verhalten des Decoders mit dem IC 710117B:
| Deltadecoder | Analog | Delta / Digital |
6603 original | Licht wechselt mit Fahrtrichtung. Helligkeit ist abhänig von der Geschwindigkeit. | Licht wechselt mit Fahrtrichtung. Helligkeit ist abhänig von der Geschwindigkeit. |
6603 Umbau | kein Licht | Licht muß durch die Funktion eingeschaltet werden. Wechselt mit der Fahrtrichtung und leuchtet konstant. |
Macht man sich die Mühe und baut den Decoder um, so hat man mit dem Delta Control 6604 kein Licht mehr an der Lok. Entweder man beschafft sich den Nachfolger 66045, den man bei eBay recht günstig bekommt, oder man bastelt einen Umschalter ins Gehäuse des 6604. Die Mitte des Umschalters kommt an braun, die eine Seite des Umschalters an Pin 25 des ICs und die andere Seite an Pin 26 des ICs. Dabei scheint es eagl zu sein, ob man die Pins 25 und 26 kurzzeitig oder dauerhaft mit braun verbindet.
Radsatz
Hier ein paar Maße von Radsätzen.
Märklin Stummel-Achse

|
Gesamtlänge (a) |
Achslänge (b) |
Raddurchmesser |
AC Artikelnummer |
DC Artikelnummer |
Beispielwagen |
| 1 |
27,5mm |
24,5mm |
12mm |
700060 |
? |
Kühlwagen 4508 |
| 2 |
26mm |
22,7mm |
12mm |
700080 |
? |
Großraumkesselwagen 4621 |
| 3 |
25,2mm |
22,7mm |
12mm |
700070 |
? |
Schiebedachwagen 4619 |
| 4 |
24,8mm |
21,7mm |
12mm |
700020 |
? |
Tiefladewagen 4618 |
| 5 |
26mm |
22,7mm |
10,5mm |
700100 |
? |
D-Zugwagen 4111 (neue Blechwagen) |
| 6 |
26mm |
22,7mm |
11,8mm |
? |
? |
(alte Blechwagen) |
| 7 |
25,4mm |
21,4mm |
11,1mm |
? |
66691 / 32376004 |
Bierwagen 48636 |
Spitz-Achse

|
Gesamtlänge |
Raddurchmesser |
AC Artikelnummer |
DC Artikelnummer |
Beispielwagen |
|
Märklin |
| 1 |
24,2mm |
4,7mm |
363630 |
432950 |
Niederflur 4740 |
| 1 |
24,5mm |
10,5mm |
700150 |
700580 |
Kühlwagen 44201 |
|
Roco |
| 1 |
24,75mm |
7,5mm |
40184 |
? |
? |
| 2 |
24,75mm |
9mm |
40195 |
40194(1)/401947(2) |
? |
| 3 |
24,75mm |
11mm |
40196 |
? |
? |
|
Piko |
| 1 |
24,4mm |
10,3mm |
56061 |
? |
? |
| 2 |
24,4mm |
11,3mm |
56060 |
? |
? |
|
Fleischmann |
| 1 |
24mm |
11mm |
6560 |
? |
? |
| 2 |
25mm |
11mm |
6561 |
? |
? |
(1) einseitig Isoliert
(2) zweiseitig Isoliert
Stand 26.08.2019